Kód: MC-Front-SN95

Prestavba predných kotúčových bŕzd z bubnových 65-73

favorite_border favorite
65-73 Prestavba predných bŕzd z bubnových na kotúčové. Brzdové strmene z modelu SN95 (Mustang GT 1999-2004) Vynikajúce brzdenie a odvod tepla. Jednoduchý dizajn, jednoduchá inštalácia... .
2 882,70 zł 3 203,00 zł
Viac Prestavba predných kotúčových bŕzd z bubnových 65-73
Na sklade
Všetky najpredávanejšie produkty
view_list

Wishlist Products

(0) product

There is no products in wishlist.
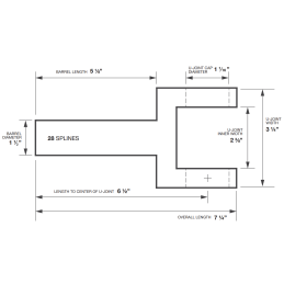
Prokurátor Slizolinovej karty (jarmo) T5 - 28 zubov 1310 65-70
  • Prokurátor Slizolinovej karty (jarmo) T5 - 28 zubov 1310 65-70
  • C4 hnací hriadeľ, malý priečnik 1310 64-73
  • C4 hnací hriadeľ, malý priečnik 1310 64-73
  • C4 hnací hriadeľ, malý priečnik 1310 64-73
  • C4 hnací hriadeľ, malý priečnik 1310 64-73
  • C4 hnací hriadeľ, malý priečnik 1310 64-73

C4 hnací hriadeľ, malý priečnik 1310 64-73

FM-EY006 SY-C4-1310

64-73 Ucho, vidlica, jarmo.... Rôzne názvy - jedno použitie - priečne uchytenie pre skrine s 28-zubovým výstupom.

685,00 zł
S DPH
Množstvo

favorite_border favorite
Popis

Krosová tyč typ 1310 - kalich 27 mm, šírka 82 mm

.

Detaily produktu
FM-EY006 SY-C4-1310
FM-EY006

Tabuľka dát

Rok výroby
64
66
67
68
69
70
71
72
73
1965
Produkty v rovnakej kategórii: 64

Kód: C8ZW-4338-A B-10334

Značka: Mustangclinic Classic Mustang Parts

Skrutka odvzdušnenia difúzora/ brzdového potrubia 64-66 GT a 67-73

favorite_border favorite
67-73 (65 GT-66 GT) Skrutka zadnej nápravy - odvzdušnenie diferenciálu, kratšia pre zadné gumové brzdové vedenie s platničkou - používa sa na 65-66 GT a všetkých 67-73
98,00 zł
Viac Skrutka odvzdušnenia difúzora/ brzdového potrubia 64-66 GT a 67-73
Posledné kusy v sklade

Kód: C6ZZ-5776-GT

Záves pružín GT s gumami 66-73

favorite_border favorite
Pružinový záves typu GT z rokov 66-73, avšak možno ho úspešne použiť na akomkoľvek Mustangu, dokonca aj na 6-valcovom. Matice sú na opačných stranách, čo výrazne uľahčuje montáž, najmä pri dvojitých výfukoch (Potrebujete 2 závesy na auto) .
137,00 zł
Viac Záves pružín GT s gumami 66-73
Vypredané

Kód: AK64

Ventily pre nafukovacie tlmiče, nezávislé

favorite_border favorite
Univerzálna súprava adaptérov vzduchových tlmičov Monroe, ktorá umožňuje nezávislé nafukovanie ľavého a pravého tlmiča. Obsahuje priame spojky, tesniace O-krúžky, hadice, hadicové svorky a vzduchové spojky pre tlmiče. Ideálna na modernizáciu systému z jednej "T" spojky na samostatné nafukovanie.
133,00 zł
Viac Ventily pre nafukovacie tlmiče, nezávislé
Posledné kusy v sklade

Kód: C5ZZ-1225-A RW207CCRA

Značka: TIMKEN

Zadné ložisko V8 64-73

favorite_border favorite
64-73Vysokokvalitné zadné ložiská zadných kolies. Ponúkame aj lacnejšie náhrady - bohužiaľ horšej kvality. .
305,00 zł
Viac Zadné ložisko V8 64-73
Na sklade

Kód: C7OZ-3106-L

Ľavý kĺb riadenia / vretená 67-69/ 65-66

favorite_border favorite
67-69 Ľavý kĺb riadenia (ročník 68-69 len pre vozidlá s bubnovými brzdami). Hodí sa aj pre ročníky 64-66, musíte však vymeniť vonkajší koniec tyče za hrubší z ročníka 67, ktorý je mimochodom pevnejší.
1 269,00 zł
Viac Ľavý kĺb riadenia / vretená 67-69/ 65-66
Na sklade

Kód: 374714-SK

Značka: Scott Drake

Sada uhlových strmeňov na mazanie horného riadiaceho ramena 64-73

favorite_border favorite
64-73 Súprava na mazanie horných riadiacich ramien. Obsahuje mimoriadne pohodlné a tenké uhlové strmene - nevyhnutné na pravidelné mazanie riadiaceho ramena .
124,00 zł
Viac Sada uhlových strmeňov na mazanie horného riadiaceho ramena 64-73
Na sklade

Sledujte nás na Facebooku