Riferimento: MC-Front-SN95

Conversione dei freni a disco anteriori da tamburi 65-73

favorite_border favorite
65-73 Conversione dei freni anteriori da tamburo a disco. Pinze del modello SN95 (Mustang GT 1999-2004) Eccellente frenata e dissipazione del calore. Design semplice, facile da installare... .
2.882,70 zł 3.203,00 zł
Più Conversione dei freni a disco anteriori da tamburi 65-73
In magazzino

Riferimento: 654-64 3299-64

Clip di montaggio del rivestimento del finestrino QUALITY PREMIUM 66-73

favorite_border favorite
66-73 Clip di montaggio del rivestimento del finestrino. Di qualità eccellente, si mantiene molto più saldamente rispetto alle clip standard fornite con le lamelle. Duro e resistente, particolarmente indicato per il fissaggio degli angoli. .
9,60 zł
Più Clip di montaggio del rivestimento del finestrino QUALITY PREMIUM 66-73
In magazzino
Tutte le migliori vendite
view_list

Prodotti nella lista dei desideri

(0) prodotto

Non ci sono prodotti nella lista dei desideri.
Procuratore del Serpeverde (giogo) T5 - 28 denti 1310 65-70
  • Procuratore del Serpeverde (giogo) T5 - 28 denti 1310 65-70
  • C4 giogo albero di trasmissione, traversa piccola 1310 64-73
  • C4 giogo albero di trasmissione, traversa piccola 1310 64-73
  • C4 giogo albero di trasmissione, traversa piccola 1310 64-73
  • C4 giogo albero di trasmissione, traversa piccola 1310 64-73
  • C4 giogo albero di trasmissione, traversa piccola 1310 64-73

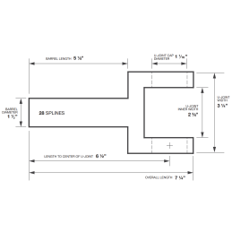
C4 giogo albero di trasmissione, traversa piccola 1310 64-73

FM-EY006 SY-C4-1310

64-73 Orecchio, forcella, giogo.... Nomi diversi - un'unica applicazione - supporto a traversa per casse con uscita a 28 denti.

685,00 zł
Tasse incluse
Quantità

favorite_border favorite
Descrizione

Barra trasversale tipo 1310 - coppa 27 mm, larghezza 82 mm

.

Dettagli del prodotto
FM-EY006 SY-C4-1310
FM-EY006

Scheda tecnica

Anno di fabbricazione
1964
1965
1966
1967
1968
1969
1970
1971
1972
1973
64 altri prodotti della stessa categoria:

Riferimento: C5ZZ-1225-A RW207CCRA

Marca: TIMKEN

Cuscinetto posteriore V8 64-73

favorite_border favorite
64-73Cuscinetti ruota posteriore di alta qualità. Offriamo anche ricambi più economici, purtroppo di qualità inferiore. .
305,00 zł
Più Cuscinetto posteriore V8 64-73
In magazzino

Riferimento: WBRW207CCRA

Cuscinetto posteriore del V8 64-73 qualità standard

favorite_border favorite
Cuscinetti posteriori, ruota posteriore. Qualità standard. Consiglio i cuscinetti americani Timken - che abbiamo anche in offerta - tuttavia, se avete intenzione di guidare la vostra Mustang solo per poche migliaia di chilometri, questi saranno del tutto sufficienti. .
160,00 zł
Più Cuscinetto posteriore del V8 64-73 qualità standard
In magazzino

Riferimento: C7OZ-3468-A C6OZ-3468-A FM-ES017C

Asta del montante 67

favorite_border favorite
67 Asta di torsione destra o sinistra .
495,92 zł
Più Asta del montante 67
In magazzino

Riferimento: 374714-SK

Marca: Scott Drake

Set di pinze angolari per la lubrificazione del braccio di controllo superiore 64-73

favorite_border favorite
64-73 Kit di lubrificazione del braccio di controllo superiore. Include pinze angolari super comode e sottili - essenziali per lubrificare periodicamente il braccio di controllo .
124,00 zł
Più Set di pinze angolari per la lubrificazione del braccio di controllo superiore 64-73
In magazzino

Riferimento: C8ZW-4338-A B-10334

Marca: Mustangclinic Classic Mustang Parts

Bullone per la presa d'aria del diffusore/linea dei freni 64-66 GT e 67-73

favorite_border favorite
67-73 (65 GT-66 GT) Bullone assale posteriore - sfiato differenziale, più corto per tubo freno posteriore in gomma con piastra - utilizzato su 65-66 GT e su tutti i 67-73
98,00 zł
Più Bullone per la presa d'aria del diffusore/linea dei freni 64-66 GT e 67-73
Ultimi articoli in magazzino

Riferimento: Oring9inch 120x35

O-ring ponte 9" 65-73

favorite_border favorite
O-ring per attacco 65-73 necessario per la revisione del ponte posteriore .
8,64 zł
Più O-ring ponte 9" 65-73
In magazzino

Riferimento: 378353-SK

Set di bulloni per il montaggio degli ammortizzatori 67-73

favorite_border favorite
67-73 I bulloni a scorrimento nella parte superiore della coppa, su cui scorre il supporto dell'ammortizzatore anteriore. Su di essi sono avvitati i dadi che fissano il supporto dell'ammortizzatore
59,00 zł
Più Set di bulloni per il montaggio degli ammortizzatori 67-73
Ultimi articoli in magazzino

Riferimento: C7ZZ-5781-A

Bulloni di montaggio della boccola della molla anteriore, coppia 68-73

favorite_border favorite
Bullone di montaggio della molla 68-73 - corto. Mi è capitato anche su auto del 67 con longheroni per un bullone incassato come solo nelle annate 68+ .
98,00 zł
Più Bulloni di montaggio della boccola della molla anteriore, coppia 68-73
In magazzino

Riferimento: C7OZ-3105-R

Snodo dello sterzo destro/ Fuselli 67-69/ 65-66

favorite_border favorite
67-69 Nocca dello sterzo destra (vintage 68-69 solo per auto con freni a tamburo. Va bene anche per le auto d'epoca 64-66, ma è necessario cambiare l'estremità esterna del tirante con una più spessa dell'annata 67, che tra l'altro è più solida).
1.269,00 zł
Più Snodo dello sterzo destro/ Fuselli 67-69/ 65-66
In magazzino

Seguici su Facebook